相关文章
Related Articles详细介绍
卧式泥浆泵具有使用寿命长,保持较高工作效率,拆检方便调整及时等优点,适用于输送含固体颗粒的液体,广泛应用于在火电厂水力除灰,矿山输送矿砂液体等,也可适用于建材、造纸、纺织、食品、饲料等部门。
卧式泥浆泵其中3表示泥浆泵吐出口径为3寸(一寸为25毫米),P表示泵为杂质泵,N表示泵为泥浆泵,L表示泥浆泵为立式泥浆泵。
PN污水泥浆泵型号意义:
如:2PNL
2——吐出口径(毫米数被25除所得值)
P— —杂质泵
N——泥浆
L——立式
性能参数表:
| 泵的型号 | 流量q | 扬程h | 转速n | 功率nkw | 效率η (%) | 叶轮直径d mm | 泵重kg | ||
| m 3 /h | l/s | m | r/min | 轴功率 | 配电机 | ||||
| 1pn | 7.2 12 16 | 2 3.33 4.44 | 14 13 12 | 1430 | 1.3 1.41 1.5 | 3 | 21 30 35 | 204 | 120 |
| 2pn(L) | 30 47 58 | 8.33 13.05 16.1 | 22 19 17 | 1450 | 5.45 6.25 6.9 | 11 | 33 39 39 | 265 | 150 250 |
| 3pn(L) | 54 108 151 | 15 30 42 | 26 21 15 | 1470 | 12 14.7 16.7 | 22 | 32 42 37 | 300 | 450 280 |
| 4pn | 100 150 200 | 27.8 41.7 55.6 | 41 39 37 | 1470 | 24.3 29 33.1 | 55 | 46 55 61 | 340 | 1000 |
| 4pn(L) | 41.5 80 111 | 11.5 22.2 30.8 | 51 50 49 | 1470 | 25 30.2 33.2 | 55 | 23 36 44.5 | 380 b 2 =30 | 1000 |
| 4pn(L) | 52 100 138 | 14.5 28 38 | 51 50 49 | 1470 | 28 37 39 | 75 | 26 37 47 | 380 b 2 =40 | 1000 |
| 6pn | 230 280 320 | 63.9 77.8 88.9 | 27 26 25 | 980 | 30.2 33 35.2 | 75 | 56 60 62 | 420 | 1200 |
使用说明:
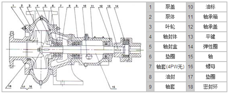
在安装PN型泥浆泵时泵进口禁止有急据弯头,尽量可能向下倾斜30度左右,以方便排除进口管道的空气,达到理想的吸浆状态,避免造成气蚀现象,吸不进浆液。启动泥浆泵之前应盘动联轴器无卡死以及盘动困难的现象,如有此类现象应该校准电机与泵头的平衡度,然后把泵腔里面灌满液体,再启动泥浆泵。在使用过程中应该掌握泥浆泵的运转周期定期更换备件和轴承以防出事故耽误生产。进口流量过少不宜运行,以避免引起震动和浆料沉淀。泥浆泵不使用前应该用清水冲洗泵腔以防泵体里面的泥浆结块堵塞泵腔。该系列PN泥浆泵除了1PN和2PN型泥浆泵出口为水平以外,其它的泵均为垂直向上。PN泥浆泵必须加入一定量的轴封水,其水量一般为工作流量的1-3%。其水压一般应大于工作压力1公斤/厘米2。1PN、2PN、3PN、2PNL、3PNL转向自电机方向看为顺时针方向,4PN、6PN、8PN、10PN、12PN转向自电机方向看为逆时针方向。该型泥浆泵一般情况下采用倒灌自注式安装较好。(其中,1PN、2PN、3PN在输送常温泥浆泵条件下,泵的安装位置,应使泵轴的水平中心线,低于被输送泥浆泵的上水平表面1至3米水柱适用)。泥浆泵停泵时禁止倒转,也就是在安装管道时出口管道上要装单向阀防止液体倒流,避免液体倒流造成泵倒转的现象。
故障及维修:
1、轴功率大的原因叶轮和护板发生摩擦,解决办法是调整叶轮和护板的间隙。
2、扬程不够的原因(1)叶轮和护板的间隙过大,解决办法调整叶轮和护板的间隙,如调整后还达不到要求,就得更换新叶轮和护板。(2)大块颗粒堵塞叶轮流道,解决办法拆掉部分进水管,将大块颗粒清除。
3、轴承过热原因(1)润滑油太少或者太多,解决办法使润滑油保持在油标规定油位。(2)油中有杂质,解决办法更换新油。(3)轴承磨损,解决办法更换新轴承。
4、泥浆泵工作中震动的原因(1)叶轮不是平衡的磨损,解决办法更换新叶轮。(2)轴承磨损或油中有杂质,解决办法更换新油或更换新轴承。(3)泵进料不足、进入空气过多,解决办法增加进料和附加清水。
5、密封漏液原因(1)水封管中没水,解决办法检查水封装置,引压力水注入填料。(2)填料磨损,解决办法更换新填料。


产品咨询
扫一扫 更多精彩
微信二维码
网站二维码